(0)

Вентилятор Ebmpapst Центробежный G2S076-AA03-01

Нет в наличии
Купить в 1 клик
Описание

Вентилятор Ebmpapst Центробежный G2S076-AA03-01 - это высококачественный вентилятор, который идеально подходит для использования в различных сферах, включая промышленность, электронику и автоматизацию.

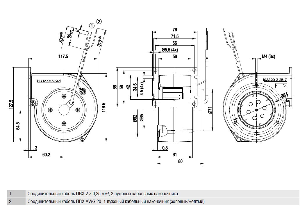
Этот вентилятор имеет компактный размер и легкий вес всего 0,7 кг, что делает его удобным и простым в установке. Размер двигателя составляет 76 мм, а типоразмер двигателя - 40.

Вентилятор имеет открытый ротор с лакокрасочным покрытием черного цвета и изготовлен из листовой стали, оцинкованной. Корпус вентилятора выполнен из алюминиевого литья, что обеспечивает надежность и прочность конструкции.

Направление вращения вентилятора правое, если смотреть на ротор. Он обладает защитой IP20 и степенью защиты, которая зависит от монтажного положения. Класс изоляции составляет F.

Максимально допустимая температура окружающей среды для работы вентилятора составляет +80°C, а минимально допустимая температура -40°C. Вентилятор может быть установлен в любом положении, и он не имеет отверстия для отвода конденсата, так как имеет открытый ротор.

Электродвигатель вентилятора оснащен шарикоподшипниками, что обеспечивает длительный срок службы и надежную работу. Контактный ток по IEC 60990 составляет менее 0,75 мА, а класс защиты двигателя - I, если защитный провод подключен стороной заказчика.

Вентилятор Ebmpapst Центробежный G2S076-AA03-01 оснащен защитой полного сопротивления, что обеспечивает безопасность и надежность его работы. Этот вентилятор - отличный выбор для тех, кто ищет надежное и эффективное решение для вентиляции и охлаждения.

Показать полностью Свернуть
Характеристики
Завод изготовитель
Ebmpapst
Полярность [AC/DC]
AC (переменного тока)
Частота [Гц]
50
Напряжение [В]
230
Скорость вращения [об/мин]
2100
Степень защиты
IP20
Мощность [Вт]
24
Вес [кг]
0.7
Типоразмер [мм]
76
Сила тока [A]
0.13
Класс изоляции
«F»,
Фазность
1~
Максимальная температура воздуха, °С
60
Описание
Характеристики
Описание

Вентилятор Ebmpapst Центробежный G2S076-AA03-01 - это высококачественный вентилятор, который идеально подходит для использования в различных сферах, включая промышленность, электронику и автоматизацию.

Этот вентилятор имеет компактный размер и легкий вес всего 0,7 кг, что делает его удобным и простым в установке. Размер двигателя составляет 76 мм, а типоразмер двигателя - 40.

Вентилятор имеет открытый ротор с лакокрасочным покрытием черного цвета и изготовлен из листовой стали, оцинкованной. Корпус вентилятора выполнен из алюминиевого литья, что обеспечивает надежность и прочность конструкции.

Направление вращения вентилятора правое, если смотреть на ротор. Он обладает защитой IP20 и степенью защиты, которая зависит от монтажного положения. Класс изоляции составляет F.

Максимально допустимая температура окружающей среды для работы вентилятора составляет +80°C, а минимально допустимая температура -40°C. Вентилятор может быть установлен в любом положении, и он не имеет отверстия для отвода конденсата, так как имеет открытый ротор.

Электродвигатель вентилятора оснащен шарикоподшипниками, что обеспечивает длительный срок службы и надежную работу. Контактный ток по IEC 60990 составляет менее 0,75 мА, а класс защиты двигателя - I, если защитный провод подключен стороной заказчика.

Вентилятор Ebmpapst Центробежный G2S076-AA03-01 оснащен защитой полного сопротивления, что обеспечивает безопасность и надежность его работы. Этот вентилятор - отличный выбор для тех, кто ищет надежное и эффективное решение для вентиляции и охлаждения.

Характеристики
Завод изготовитель
Ebmpapst
Полярность [AC/DC]
AC (переменного тока)
Частота [Гц]
50
Напряжение [В]
230
Скорость вращения [об/мин]
2100
Степень защиты
IP20
Мощность [Вт]
24
Вес [кг]
0.7
Типоразмер [мм]
76
Сила тока [A]
0.13
Класс изоляции
«F»,
Фазность
1~
Максимальная температура воздуха, °С
60
Все характеристики
Ранее просмотренные
Обратный звонок
Запрос успешно отправлен!
Имя *
Телефон *
Предзаказ
Предзаказ успешно отправлен!
Имя *
Телефон *
Добавить в корзину
Название товара
100 руб
1 шт.
Перейти в корзину
Verification: d8eea671d6cc9708
Быстрый заказ